The BGS1018/20/22/25N is a Hybrid Push Pull gain block. It is optimized for exceptionally low distortion and low noise figure in a 75 Ω push pull amplifier circuit. It provides excellent input and output return loss over the 45 to 1000 MHz CATV HFC infrastructure.
The device is ideally suited for use in CATV applications where low distortion and low noise figure are required.
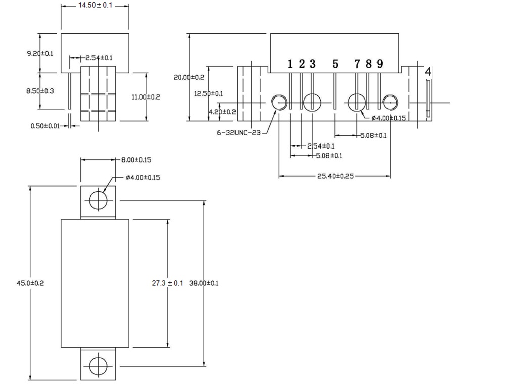
The device package is complied with standard SOT-115J.
Features
l 18/20/22/25 dB Gain
l 24 V DC Bias
l 43 dBmV/CH Output Power Level @ 1000 MHz
l Excellent Linearity
l Superior Return Loss Performance
l Extremely Low Distortion
l Optimal Reliability
l Extremely Low Noise
l Unconditionally Stable Under All Terminations
l 280 mA Max. at 24 VDC
Applications
l 45 to 1000 MHz CATV Amplifier Systems
Electrical Specifications: T = +25 °C, V = 24 V, Zin = Zout = 75 Ω
Parameter | Units | Min. | Typ. | Max. | Test Conditions |
Gain | dB | - | 18 | - | 45 - 1000 MHz |
20 | |||||
22 | |||||
25 | |||||
Slope | dB | - | 1.4 | - | 45 - 1000 MHz |
Flatness | dB | - | - | ±0.25 | 45 - 1000 MHz |
Noise Figure | dB | - | 4.5 | - | 45 - 1000 MHz |
Reverse Isolation | dB | - | 36 | - | - |
Input Return Loss | dB | 17 | 19 | - | 45 - 1000 MHz |
Output Return Loss | dB | 18 | 20 | - | 45 - 1000 MHz |
Total Current Consumption (DC) | mA | - | 265 | 280 | + 24 V |
CTB* | dB | - | 71 | - | 43 dBmV @ 1000 MHz |
CSO* | dB | - | 70 | - | 43 dBmV @ 1000 MHz |
XMOD* | dB | - | 64 | - | 43 dBmV @ 1000 MHz |
* 79 NTSC (analog) channels + 75 ATSC (digital) channels (- 6 dB offset), flat.

Ordering information
Description | Part Number |
BGS1018N GaAs Push Pull Gain Block 1GHz 18dB | 9940000012 |
BGS1020N GaAs Push Pull Gain Block 1GHz 20dB | 9940000013 |
BGS1022N GaAs Push Pull Gain Block 1GHz 22dB | 9940000014 |
BGS1025N GaAs Push Pull Gain Block 1GHz 25dB | 9940000015 |
SQ Electronics Co., Ltd is a technology enterprise specialized in R&D and manufacturing of CATV and PDU related products. The history of the company goes back to 1991. Originally it was a Shanghai based company(ShangHai QianJin Electronic Equipment Co., Ltd). Due to the rapid development of business activities and customer needs, established a 17000 square meter manufacturing base in Suzhou(Qianjin Electronics (Suzhou) Co., Ltd.). Due to strategic upgrading and development, SQ Electronics (Suzhou) Co., Ltd was established in September 2024 and officially switched, embarking on a new journey of cooperation.
Currently it has about 100 employees. Among them, more than 30% are engineers and technicians. The company has inherited the core team, technology, resources, and experience of the original company, and is committed to further innovation and development on the existing basis.
SQ products are well accepted in the industry because of our high quality and innovative design. Quality is our number one priority, and our goal is to supply world class products through outstanding service to our customers and partners.
Address: No. 5 Qidu Avenue Suzhou City Jiangsu Province China(within Qianjin Electronics (Suzhou) Co., Ltd.)
Address: 701, 7th Floor, No. 1768 Yishan Road, Minhang District, Shanghai, China (Shanghai Office)
Phone: 021-64957666
Email: eddy@sq-cabledevice.com