258 - 1218 MHz High Pass Filter has a cutoff frequency of 258 MHz. It works out to 1218 MHz. This filter isolates the reverse band, together with additional filtering provided on the amplifier motherboards, such as diplexers, has enough isolation to prevent the ingress from unwanted signal. It also provides enough isolation so that there is no interference between the forward and reverse paths.
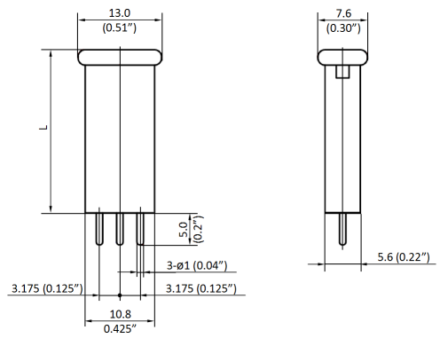
Several different lengths can be optional such as 1”, 1.26”, 1.37”, etc.
These accessories can be used for all the nodes, amplifiers, line extenders, etc.
Specifications
Item | Units | Value |
Frequency | MHz | 258 - 1218 |
Insertion Loss | dB | 0.4 @ 262 - 1218 MHz |
dB | 1.1 @ 258 - 262 MHz | |
Stop Band Loss | dB | 35.0 @ 5 - 204 MHz |
Return Loss | dB | 20.0 at 258 MHz, 1.5dB / Octave |
Impedance | Ω | 75 |
Note: Unless otherwise noted, all specifications reflect typical performance and are referenced to 68°F (20°C). Specifications are based upon measurements made in accordance with SCTE/ANSI standards (where applicable), using standard frequency assignments.
Dimensions

L = 25.4mm (1 inch), or 32.0mm (1.26 inch), or 34.8mm (1.37 inch)
Description | Part Number |
258 - 1218 MHz JXP High Pass Filter, 1 inch, Red | 9909000305 |
258 - 1218 MHz JXP High Pass Filter, 1.26 inch, Red | 9909000306 |
258 - 1218 MHz JXP High Pass Filter, 1.37 inch, Red | 9909000307 |
SQ Electronics Co., Ltd is a technology enterprise specialized in R&D and manufacturing of CATV and PDU related products. The history of the company goes back to 1991. Originally it was a Shanghai based company(ShangHai QianJin Electronic Equipment Co., Ltd). Due to the rapid development of business activities and customer needs, established a 17000 square meter manufacturing base in Suzhou(Qianjin Electronics (Suzhou) Co., Ltd.). Due to strategic upgrading and development, SQ Electronics (Suzhou) Co., Ltd was established in September 2024 and officially switched, embarking on a new journey of cooperation.
Currently it has about 100 employees. Among them, more than 30% are engineers and technicians. The company has inherited the core team, technology, resources, and experience of the original company, and is committed to further innovation and development on the existing basis.
SQ products are well accepted in the industry because of our high quality and innovative design. Quality is our number one priority, and our goal is to supply world class products through outstanding service to our customers and partners.
Address: No. 5 Qidu Avenue Suzhou City Jiangsu Province China(within Qianjin Electronics (Suzhou) Co., Ltd.)
Address: 701, 7th Floor, No. 1768 Yishan Road, Minhang District, Shanghai, China (Shanghai Office)
Phone: 021-64957666
Email: eddy@sq-cabledevice.com