The SQOB3042R is a high dynamic range optical reverse receiver block with amplifier circuits. It has a single-mode optical input suitable for 1100 to 1650 nm wavelengths, a terminal to monitor the photo diode current and an electrical output having a characteristic impedance of 75 Ω.
The device is ideally suited for use in CATV return path applications, including DOCSIS 3.1 systems where low distortions and low noise figure are required.
The device package is complied with standard SOT-115 where the non-jacketed fiber has an SC/APC or FC/APC connector.
Features
l 42dBmV Output Level @ 0dBm Optical Input
l +5 V Amp Bias, +24 V PD Bias
l Wide Bandwidth for DOCSIS 3.1
l Extremely Low noise
l Excellent flatness
l Standard CATV outline
l Rugged construction
l Gold metallization ensures excellent reliability
l High optical input power range
Applications
l Cable TV optical transmission systems operating in the 5 to 300 MHz reverse path.
Specifications: T = +25 °C, Vamp = +5 V, VPD = +24 V, Z = 75 Ω
Parameter | Units | Min. | Typ. | Max. | Test Conditions |
Optical Wavelength | nm | 1100 | - | 1650 |
|
Frequency Range | MHz | 5 | - | 300 |
|
Responsivity | V/W | 750 | - | - | λ = 1310 nm, SC/APC or FC/APC |
Optical Input Return Loss | dB | - | 45 | - | |
Equivalent Noise Input | pA/√Hz | - | 4 | - | 5 - 300 MHz |
Spectral Sensitivity | A/W | 0.85 0.90 | - | - | λ = 1310 ± 20 nm λ = 1550 ± 20 nm |
RF Output Level | dBmV | - | 42 | - | 0 dBm Optical Input |
Flatness | dB | - | - | ±0.25 | 5 - 300 MHz |
Output Return Loss | dB | - | 16 | - | 5 - 300 MHz |
Amplifier Bias Current (DC) | mA | - | 95 | 115 | + 5 V |
Photo Diode Bias Current (DC) | mA |
| 10 |
| + 24 V |
Length of Optical Fiber | mm |
| 1000 |
| Fiber: SM Type; 9/125 µm |
Handling Procedures
Please observe the following precautions to avoid damage:
Fiberglass optical coupling
Maximum tensile strength = 5 N. Minimum bending radius = 35 mm.
Static Sensitivity
Gallium Arsenide Integrated Circuits are sensitive to electrostatic discharge (ESD) and can be damaged by static electricity. Proper ESD control techniques should be used when handling these devices.
Absolute Maximum Ratings
Parameter | Unit | Rating |
Optical Input Power (Continues) | mW | 5 |
DC Supply Over-Voltage (5 minutes) | V | 6.5 (Amp), 30 (PD) |
Storage Temperature | °C | - 40 to +100 |
Operating Mounting Base Temperature | °C | - 30 to +85 |
Caution! ESD sensitive device.
RoHS
Alarm: Exceeding any one or a combination of the Absolute Maximum Rating conditions may cause permanent damage to the device. Extended application of Absolute Maximum Rating conditions to the device may reduce device reliability. Specified typical performance or functional operation of the device under Absolute Maximum Rating conditions is not implied.
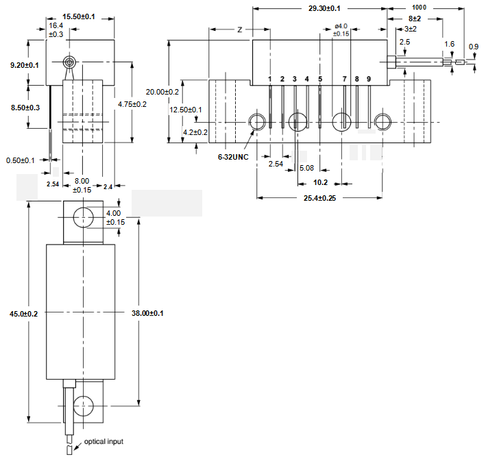
Package Drawing (Dimensions in millimeters)

Pinning:
PIN | Description |
1 | Monitor Current |
2 | Common |
3 | Common |
4 | +VB of the amplifier |
5 | +VB of the photo diode |
7 | Common |
8 | Common |
9 | Output |
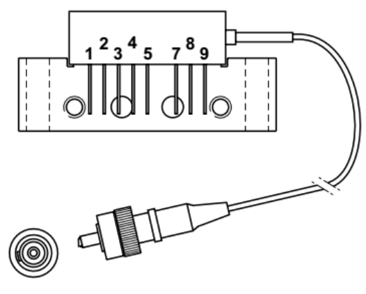
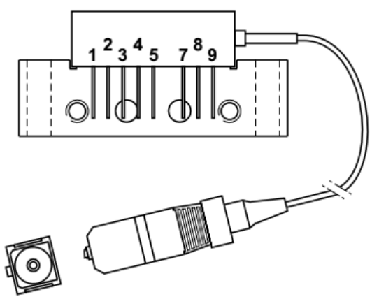
Simplified Outline
Type | Simplified Outline |
SQOB3042R with SC/APC connector |
|
SQOB3042R with FC/APC connector |
|
Description | Part Number |
SQOB3042R Optical Receiver Block, with SC/APC Connector | 9945000011 |
SQOB3042R Optical Receiver Block, with FC/APC Connector | 9945000012 |
SQ Electronics Co., Ltd is a technology enterprise specialized in R&D and manufacturing of CATV and PDU related products. The history of the company goes back to 1991. Originally it was a Shanghai based company(ShangHai QianJin Electronic Equipment Co., Ltd). Due to the rapid development of business activities and customer needs, established a 17000 square meter manufacturing base in Suzhou(Qianjin Electronics (Suzhou) Co., Ltd.). Due to strategic upgrading and development, SQ Electronics (Suzhou) Co., Ltd was established in September 2024 and officially switched, embarking on a new journey of cooperation.
Currently it has about 100 employees. Among them, more than 30% are engineers and technicians. The company has inherited the core team, technology, resources, and experience of the original company, and is committed to further innovation and development on the existing basis.
SQ products are well accepted in the industry because of our high quality and innovative design. Quality is our number one priority, and our goal is to supply world class products through outstanding service to our customers and partners.
Address: No. 5 Qidu Avenue Suzhou City Jiangsu Province China(within Qianjin Electronics (Suzhou) Co., Ltd.)
Address: 701, 7th Floor, No. 1768 Yishan Road, Minhang District, Shanghai, China (Shanghai Office)
Phone: 021-64957666
Email: eddy@sq-cabledevice.com