1.8 GHz JXP Attenuators produce flat (even) loss across Cable TV forward and reverse frequency band to support Docsis 3.1 standard. . The pads are used during amplifier balancing to adjust amplifier signal levels as needed. The fixed loss produced (dB) is equal to the value printed on the top of each pad. The pads listed below are rated for operation up to 1.8 GHz. Within specific amplifier types, the pads are also used as equalizers.
These pads can be used for amplifiers, line extenders, nodes, combiners, etc.
Specifications
Item | Units | Value | ||||||||||||||||||||
Attenuation Values | dB | 0 | 1 | 2 | 3 | 4 | 5 | 6 | 7 | 8 | 9 | 10 | 11 | 12 | 13 | 14 | 15 | 16 | 17 | 18 | 19 | 20 |
Frequency | MHz | 5 - 1800 | ||||||||||||||||||||
Insertion Loss | dB | ≤ 0.5 | ||||||||||||||||||||
Flatness | dB | ± 0.3 | ||||||||||||||||||||
Return Loss | dB | ≥ 20.0 @ 5-1200MHz ≥ 18.0 @ 1201-1800MHz | ||||||||||||||||||||
Impedance | Ω | 75 | ||||||||||||||||||||
Note: Unless otherwise noted, all specifications reflect typical performance and are referenced to 68°F (20°C). Specifications are based upon measurements made in accordance with SCTE/ANSI standards (where applicable), using standard frequency assignments.
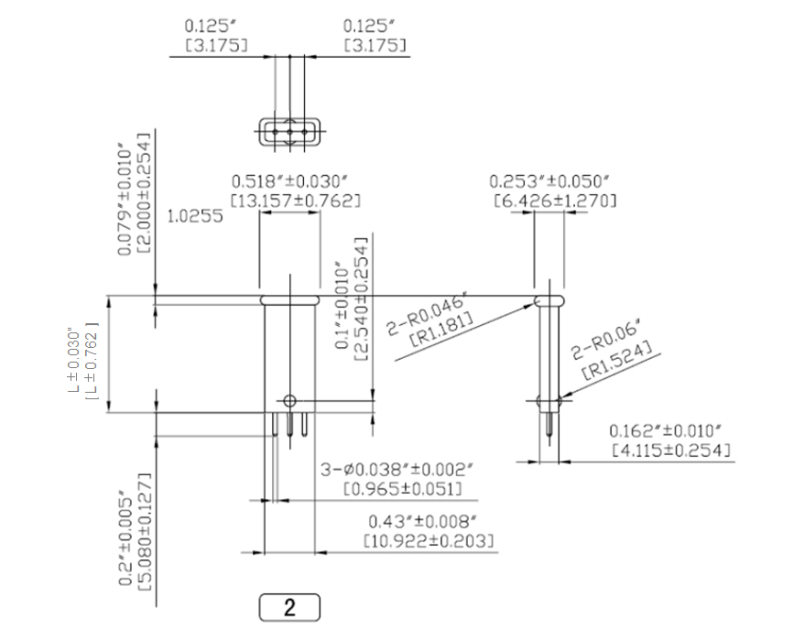
Dimensions

L = 0.45”, 0.87”, 1”, 1.1”, 1.26”, 1.37”, 1.65”
Ordering Information
The attenuator is available in a wide variety of length, stripe, dot and color. Consult your Customer Service Representative or Applications Engineer to determine the best choose for your particular application.
SQ Electronics Co., Ltd is a technology enterprise specialized in R&D and manufacturing of CATV and PDU related products. The history of the company goes back to 1991. Originally it was a Shanghai based company(ShangHai QianJin Electronic Equipment Co., Ltd). Due to the rapid development of business activities and customer needs, established a 17000 square meter manufacturing base in Suzhou(Qianjin Electronics (Suzhou) Co., Ltd.). Due to strategic upgrading and development, SQ Electronics (Suzhou) Co., Ltd was established in September 2024 and officially switched, embarking on a new journey of cooperation.
Currently it has about 100 employees. Among them, more than 30% are engineers and technicians. The company has inherited the core team, technology, resources, and experience of the original company, and is committed to further innovation and development on the existing basis.
SQ products are well accepted in the industry because of our high quality and innovative design. Quality is our number one priority, and our goal is to supply world class products through outstanding service to our customers and partners.
Address: No. 5 Qidu Avenue Suzhou City Jiangsu Province China(within Qianjin Electronics (Suzhou) Co., Ltd.)
Address: 701, 7th Floor, No. 1768 Yishan Road, Minhang District, Shanghai, China (Shanghai Office)
Phone: 021-64957666
Email: eddy@sq-cabledevice.com