1.2GHz Forward Cable Equalizers produce a tilt that frequency response is opposite to coaxial cable. They are used to compensate the tilt produced by coaxial cable in order to achieve the desired flatness. The dB values and rated high frequency 1218 MHz are printed on the top of each equalizer.
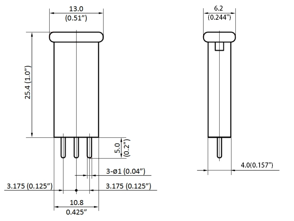
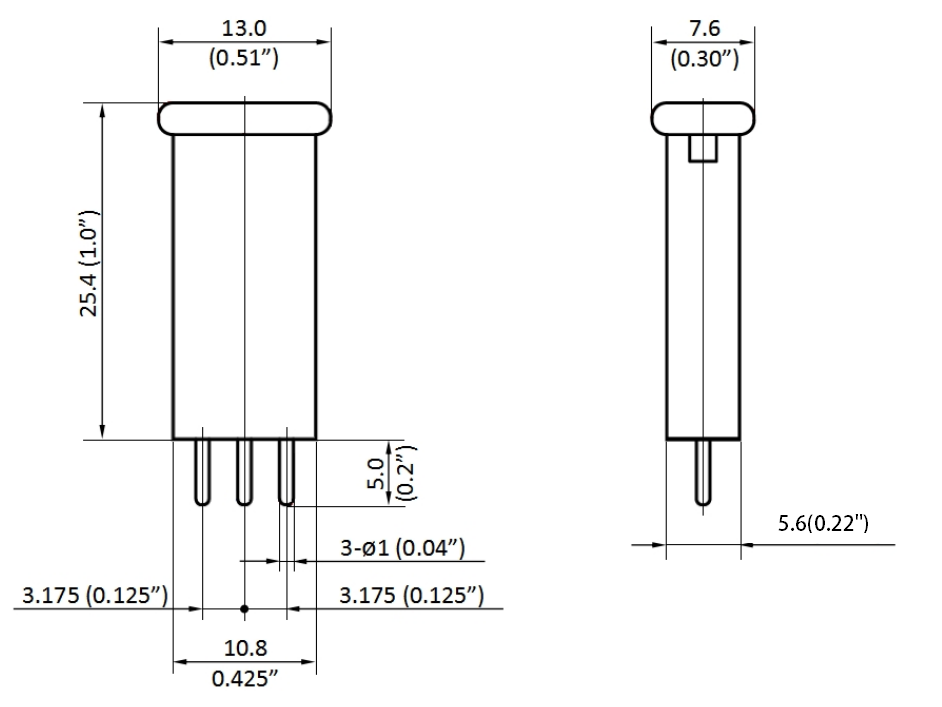
It is JXP series and has two types of thickness. The thickness of A-type is 5.6 mm, and B-type is 4.0 mm.
These accessories can be used for amplifiers, line extenders, etc.
Specifications
| Item | Units | Value | |||||||||||
| EQ Values | dB | 1.5 | 3.0 | 4.5 | 6.0 | 7.5 | 9.0 | 10.5 | 12.0 | 13.5 | 15.0 | 16.5 | 18.0 |
| Tilt ( 52 to 1218 MHz ) | dB | 1.2 | 2.5 | 3.7 | 4.9 | 6.2 | 7.4 | 8.6 | 9.8 | 11.1 | 12.3 | 13.5 | 14.8 |
| Tilt ( 52 to 1000 MHz ) | dB | 1.1 | 2.2 | 3.2 | 4.3 | 5.4 | 6.4 | 7.5 | 8.6 | 9.7 | 10.7 | 11.8 | 12.9 |
| Tilt ( 52 to 870 MHz ) | dB | 1.0 | 2.0 | 2.9 | 3.9 | 4.9 | 5.8 | 6.8 | 7.8 | 8.7 | 9.7 | 10.7 | 11.6 |
| Frequency | MHz | 52 - 1218 | |||||||||||
| Tolerance EQ Val.max. | dB | ± 0.5 | |||||||||||
| Insertion Loss | dB | 1.0 | |||||||||||
| Flatness | dB | ± 0.2 | |||||||||||
| Return Loss | dB | 18.0 | |||||||||||
| Impedance | Ω | 75 | |||||||||||
Note: Unless otherwise noted, all specifications reflect typical performance and are referenced to 68°F (20°C). Specifications are based upon measurements made in accordance with SCTE/ANSI standards (where applicable), using standard frequency assignments.
Dimensions
Type A B Type

Ordering information
Description | Part Number | |
Type A | Type B | |
1.2 GHz JXP Forward Cable Equalizer 1.5dB, 1 inch, Green | 9907000101 | 9907000130 |
1.2 GHz JXP Forward Cable Equalizer 3.0dB, 1 inch, Green | 9907000102 | 9907000131 |
1.2 GHz JXP Forward Cable Equalizer 4.5dB, 1 inch, Green | 9907000103 | 9907000132 |
1.2 GHz JXP Forward Cable Equalizer 6.0dB, 1 inch, Green | 9907000104 | 9907000133 |
1.2 GHz JXP Forward Cable Equalizer 7.5dB, 1 inch, Green | 9907000105 | 9907000134 |
1.2 GHz JXP Forward Cable Equalizer 9.0dB, 1 inch, Green | 9907000106 | 9907000135 |
1.2 GHz JXP Forward Cable Equalizer 10.5dB, 1 inch, Green | 9907000107 | 9907000136 |
1.2 GHz JXP Forward Cable Equalizer 12.0dB, 1 inch, Green | 9907000108 | 9907000137 |
1.2 GHz JXP Forward Cable Equalizer 13.5dB, 1 inch, Green | 9907000109 | 9907000138 |
1.2 GHz JXP Forward Cable Equalizer 15.0dB, 1 inch, Green | 9907000110 | 9907000139 |
1.2 GHz JXP Forward Cable Equalizer 16.5dB, 1 inch, Green | 9907000111 | 9907000140 |
1.2 GHz JXP Forward Cable Equalizer 18.0dB, 1 inch, Green | 9907000112 | 9907000141 |
SQ Electronics Co., Ltd is a technology enterprise specialized in R&D and manufacturing of CATV and PDU related products. The history of the company goes back to 1991. Originally it was a Shanghai based company(ShangHai QianJin Electronic Equipment Co., Ltd). Due to the rapid development of business activities and customer needs, established a 17000 square meter manufacturing base in Suzhou(Qianjin Electronics (Suzhou) Co., Ltd.). Due to strategic upgrading and development, SQ Electronics (Suzhou) Co., Ltd was established in September 2024 and officially switched, embarking on a new journey of cooperation.
Currently it has about 100 employees. Among them, more than 30% are engineers and technicians. The company has inherited the core team, technology, resources, and experience of the original company, and is committed to further innovation and development on the existing basis.
SQ products are well accepted in the industry because of our high quality and innovative design. Quality is our number one priority, and our goal is to supply world class products through outstanding service to our customers and partners.
Address: No. 5 Qidu Avenue Suzhou City Jiangsu Province China(within Qianjin Electronics (Suzhou) Co., Ltd.)
Address: 701, 7th Floor, No. 1768 Yishan Road, Minhang District, Shanghai, China (Shanghai Office)
Phone: 021-64957666
Email: eddy@sq-cabledevice.com