1.8 GHz SJ-5B/5BS Variable Step Attenuators produce linear loss through the full CATV forward and reverse frequency band. The attenuators are used to balance and adjust amplifier signal levels as needed. The variable step loss produced (dB) is between 0 to 5, 10, 15, 20 dB based on the steps (11 step). The attenuators are designed for circuits up to 1.8 GHz. The attenuators can also be used as equalizers.
Reel packaging is also available for easy SMT assembly (SJ-5BS).
Specifications
Item | Units | Value | |||
Attenuation Values | dB | 0 - 5 | 0 - 10 | 0 - 15 | 0 - 20 |
Step Values | dB | 0.5 | 1.0 | 1.5 | 2.0 |
Frequency Range | MHz | 5 - 1800 | |||
Insertion Loss | dB | ≤ 0.5 | |||
Flatness | dB | ± 0.3 | |||
Return Loss | dB | ≥ 18.0 @ 5-1200MHz ≥ 16.0 @ 1201-1800MHz | |||
Impedance | Ω | 75 | |||
Note: Unless otherwise noted, all specifications reflect typical performance and are referenced to 68°F (20°C). Specifications are based upon measurements made in accordance with SCTE/ANSI standards (where applicable), using standard frequency assignments.
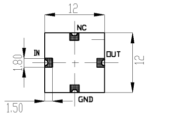
Dimensions



Size | ||
Shaft diameter Ф (mm) | Shaft length L1 (mm) | Pin length L2 (mm) |
5 | 0 and 10 | 10 |
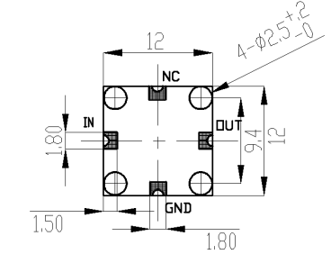
SJ-5BS SMD Footprint

Size | |
Shaft diameter Ф (mm) | Shaft length L1 (mm) |
5 | 0 |
PCB Requirement for SJ-5BS
4 holds are required on the corresponding PCB

Ordering Information
Bulk Package Type:
Description | Part Number |
SJ-5B-0.5dB Step, Value 0 - 5 dB, 0mm knob | 9903000260 |
SJ-5B-1.0dB Step, Value 0 - 10 dB, 0mm knob | 9903000261 |
SJ-5B-1.5dB Step, Value 0 - 15 dB, 0mm knob | 9903000262 |
SJ-5B-2.0dB Step, Value 0 - 20 dB, 0mm knob | 9903000263 |
SJ-5B-0.5dB Step, Value 0 - 5 dB, 10mm knob | 9903000264 |
SJ-5B-1.0dB Step, Value 0 - 10 dB, 10mm knob | 9903000265 |
SJ-5B-1.5dB Step, Value 0 - 15 dB, 10mm knob | 9903000266 |
SJ-5B-2.0dB Step, Value 0 - 20 dB, 10mm knob | 9903000267 |
Reel Package Type: 500 Pieces Reel
Description | Part Number |
SJ-5BS-0.5dB Step, Value 0 - 5 dB, 0mm knob | 9903000268 |
SJ-5BS-1dB Step, Value 0 - 10 dB, 0mm knob | 9903000269 |
SJ-5BS-1.5dB Step, Value 0 - 15 dB, 0mm knob | 9903000270 |
SJ-5BS-2dB Step, Value 0 - 20 dB, 0mm knob | 9903000271 |
SQ Electronics Co., Ltd is a technology enterprise specialized in R&D and manufacturing of CATV and PDU related products. The history of the company goes back to 1991. Originally it was a Shanghai based company(ShangHai QianJin Electronic Equipment Co., Ltd). Due to the rapid development of business activities and customer needs, established a 17000 square meter manufacturing base in Suzhou(Qianjin Electronics (Suzhou) Co., Ltd.). Due to strategic upgrading and development, SQ Electronics (Suzhou) Co., Ltd was established in September 2024 and officially switched, embarking on a new journey of cooperation.
Currently it has about 100 employees. Among them, more than 30% are engineers and technicians. The company has inherited the core team, technology, resources, and experience of the original company, and is committed to further innovation and development on the existing basis.
SQ products are well accepted in the industry because of our high quality and innovative design. Quality is our number one priority, and our goal is to supply world class products through outstanding service to our customers and partners.
Address: No. 5 Qidu Avenue Suzhou City Jiangsu Province China(within Qianjin Electronics (Suzhou) Co., Ltd.)
Address: 701, 7th Floor, No. 1768 Yishan Road, Minhang District, Shanghai, China (Shanghai Office)
Phone: 021-64957666
Email: eddy@sq-cabledevice.com